Твердотопливная ракета
2 ступень
Руководитель проекта:
Бывшенко Алёна Владимировна - преподаватель КОСМО квантума
Команда "Андромеда"
Терехова Александра
Бердник Максим
Мадюжина Лилия
Проект разрабатывается в рамках чемпионата "Реактивное движение"
О проекте
Построить ракету с электронной бортовой системой и механизмом спасения, которая выведет спутник на высоте 120 м
Проблематика в рамках чемпионата
  • Сделать 3D модель ракеты
  • Доработать систему спасения
  • Разработать систему выведения спутника
  • Доработать прошлогодний код для ракеты
  • Написать код для спутника
  • Изготовить печатную плату
  • Разработать систему связи
  • Изготовить корпус для приемной станции
  • Распечатать корпус
  • Собрать ракету
  • Протестировать ракету
  • Доработать ракету
  • Подготовить документацию
Цели:
  • Сделать работоспособную ракету

  • Победить в Чемпионате
Задачи:
Этапы проекта
  • Этап моделирования
  • Этап разработки
  • Этап конструирования
  • Этап тестирования
  • Этап доработки
Модель ракеты
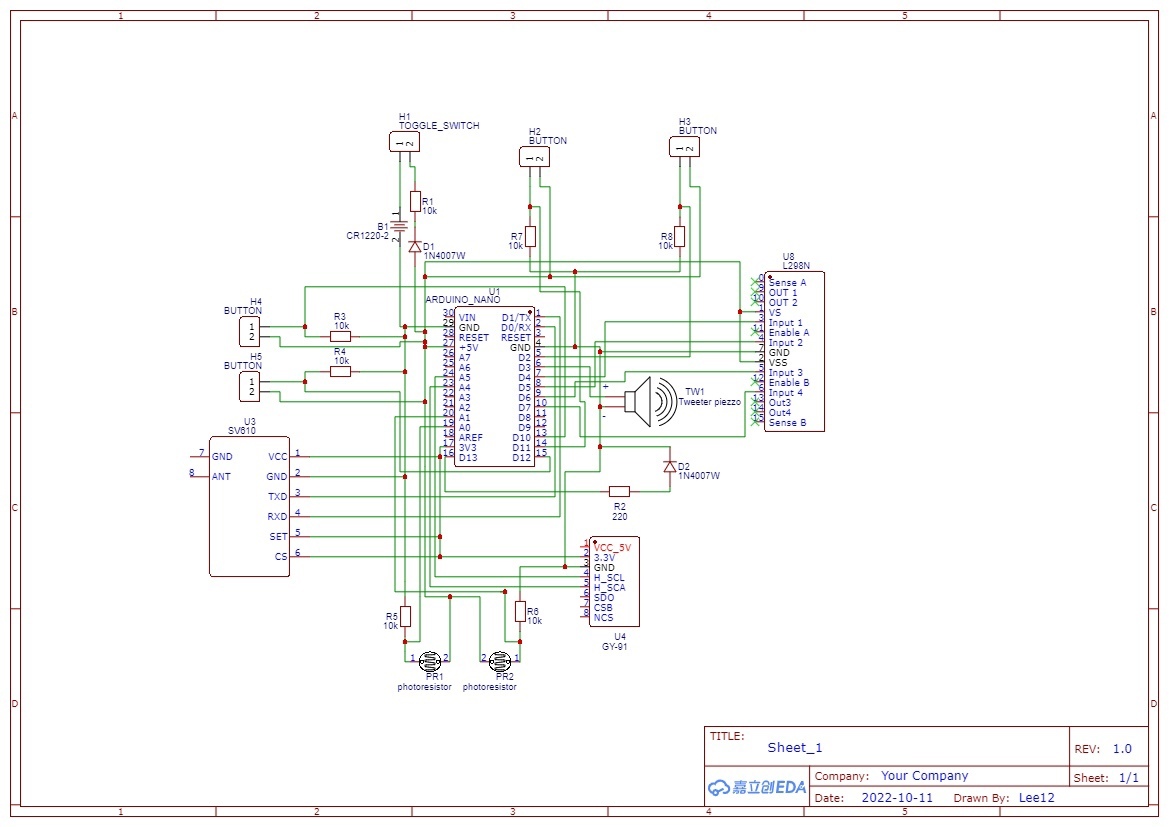
Бортовой компьютер ракеты
Бортовой компьютер ракеты - это плата Arduino nano. К ней подключается барометр и акселерометр GY-91, радиомодуль SV610, драйвер для моторов постоянного тока, которые будут использоваться в системе спасения, сервомоторы для системы выведения спутника, 2 фоторезистора для проверки срабатывания систем спасения и выведения спутника, кнопки для тестового срабатывания систем спасения и выведения спутника, светодиоды для индикации работы бортового компьютера и пьезопищалка для того, чтобы ракету было легче искать
Бортовой компьютер спутника
Бортовой компьютер ракеты - это плата Arduino nano. К ней подключается барометр и акселерометр GY-91, модуль SD-карты, на которую будут записываться данные с GY-91, и камера.
После полета ракеты на основе данных с барометра будут построены графики полета.

Система спасения
Системы автоматически сработает, как только ракета достигнет апогея.
Как только датчик высоты зафиксирует снижение высоты на 2 метра (с учетом погрешности), бортовой компьютер подаст напряжение на моторы постоянного тока, валы провернутся и перестанут удерживать платформу с парашютом, пружины разожмутся, платформа вытолкнет обтекатель и парашют раскроется
Система выведения спутника
Как только ракета достигнет 120 м, бортовой компьютер подаст напряжение на сервомоторы, они провернутся, отсек системы откроется и спутник вылетит
Запуск ракеты
Запуск ракеты на Ракетостроительном чемпионате 2023 году
Запуск ракеты команды "Андромеда".
Ракетостроительный чемпионат "Реактивное движение 2023"
Заинтересовал проект?
Свяжитесь с нами
Иван Иванович Медведев
Директор АНО ДО ДТ "Кванториум" Томской обл.
Телефон: 8-960-970-9374
Email: ivan500@yandex.ru
Made on
Tilda